- ホーム
- Qa-Slab
Qa-Slab 床版更新向けCIMシステム Qa-Slab
床版更新向けCIMシステム
System overview
システム概要
Qa-Slab(キュアスラブ)は登録したルールをもとに新設床版と壁高欄の割付け、既設床版のカット割りの自動作成、半断面分割施工対応、
ハンチ形状シミュレーション、3Dモデル出力、施工計画支援が可能なBIM/CIMシステムです。従来の2DCADベースの割付作業に比べて大幅な生産性向上を実現しています。
ハンチ形状シミュレーション、3Dモデル出力、施工計画支援が可能なBIM/CIMシステムです。従来の2DCADベースの割付作業に比べて大幅な生産性向上を実現しています。
System features
■ システムの特長
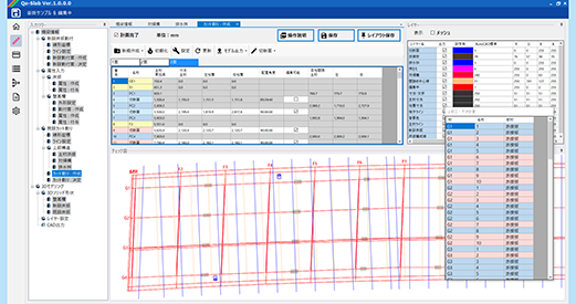
(1) 瞬時の割付け案生成
設計ルールを登録し、線形座標を読み込むだけで複数案の割付けを自動作成。比較検討後に平面図と3Dモデルを出力可能。
ルール登録
割付け案1
割付け案2
設計ルールを登録し、線形座標を読み込むだけで複数案の割付けを自動作成。比較検討後に平面図と3Dモデルを出力可能。
ルール登録
割付け案1
割付け案2
(2) ハンチ形状シミュレーション
許容範囲やグルーピング条件を設定し、最適なハンチ形状を自動決定。上フランジ添接板ボルトとの自動取合いも可能。
計算条件
プレビュー
床版3Dモデル
許容範囲やグルーピング条件を設定し、最適なハンチ形状を自動決定。上フランジ添接板ボルトとの自動取合いも可能。
計算条件
プレビュー
床版3Dモデル
(4) 施工計画支援機能
既設床版のカット割り、ワイヤーソー孔、ジャッキアップ孔配置機能を搭載。
カット割り検討
ジャッキアップ孔配置検討
表示例
既設床版のカット割り、ワイヤーソー孔、ジャッキアップ孔配置機能を搭載。
カット割り検討
ジャッキアップ孔配置検討
表示例
(5) 施工計画支援機能
外部システムとの連携:橋梁設計で多くのユーザーが利用する線形計算システム「JIP-LINER」、PC床版設計システム「JSP-6W」(JIPテクノサイエンス社)とデータ連携が可能。
外部システムとの連携:橋梁設計で多くのユーザーが利用する線形計算システム「JIP-LINER」、PC床版設計システム「JSP-6W」(JIPテクノサイエンス社)とデータ連携が可能。
Price
■ 販売価格(サブスクリプション販売)
| ライセンス数 | 1年間 | 1ヶ月 |
|---|---|---|
| 1 | 1,200,000円 | 200,000円 |
※保守サービス込み。1ヶ⽉契約は年間契約ユーザーに限ります。
動作環境:本システムの実行にはAutoCAD レギュラー版とMicrosoft Excel が必要です。ライセンス認証にインターネット環境が必要です。
保守サービスには、メールによるQA対応、アップデート版提供を含みます。オプション機能の価格はお問い合わせください。
Support
■ サポートサイト
Qa-Slabを含む橋梁CIMシステムのサポートサイトはこちらから
https://cim-system.com/

CIM-GIRDER
鋼桁3Dモデル
統合モデル